MEASUREMENT & GAUGING: Dynamic optics reduces speckle in laser illumination
In many machine-vision systems for dimensional metrology, laser lines are used to provide structured illumination—allowing height to be estimated through triangulation using the known relative orientation between camera and laser line source. By projecting laser lines onto a moving object, or mounting camera and laser line source onto a moving robot arm, point clouds of data can be obtained and used to reconstruct a 3-D model of the object.
This principle has most recently been used by ImagingLab (Lodi, Italy; www.imaginglab.it) in the development of a scanner to image food products (see “Laser triangulation system measures food products,” Vision Systems Design, January 2010).
“One of the problems faced by developers of such systems,” says Fergal Shevlin, CEO at Dyoptyka (Dublin, Ireland; www.dyoptyka.com), “is that of speckle—which results from the constructive and destructive interference of the coherent laser light as it is reflected from an object’s surface. Speckle often imposes the limit of accuracy and precision of a laser line metrology system.”
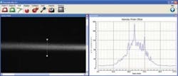
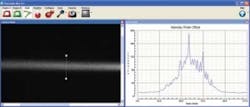
Although the laser light is coherent when created—i.e., of the same wavelength with waves in-phase—the optical system’s and object’s rough surfaces (relative to the wavelength) introduce shifts between wave phases, causing the destructive and constructive interference that results in the reflected light being degraded with bright and dark spots. Because of this speckle, the intensity profile of the reflected laser line will exhibit a less-than-Gaussian profile (see figure, top). Thus, even methods such as peak pixel detection, thresholding, center-of-gravity (COG) analysis, or other nonlinear interpolation techniques may not accurately determine the peak position of the laser profile.
To reduce this effect while at the same time increasing the accuracy of peak position measurement, Dyoptyka has developed a series of electro-optic systems known as SpeckleFree modules. In operation, light from a laser is first reflected from a deformable mirror. This mirror is then modulated using a number of piezoelectric actuators at a frequency up to 500 kHz.
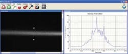
After being reflected from the deformable mirror, the light can be coupled into a multimode fiber with the effect of reducing its average temporal coherence. Alternatively, it can be made to pass through a diffuser with the effect of reducing average spatial coherence. In both cases, it is then projected onto the object at different angles, resulting in multiple reflected speckle patterns that are essentially averaged during the response time of both the human eye and the exposure time of a camera system. This results in a speckle contrast reduction of the laser profile (see figure, bottom).
Because the reflected laser profile is closer to a Gaussian profile, measurement of the peak position is claimed to be three times as accurate. However, because the SpeckleFree module couples the output of the light from the deformable mirror into a multimode fiber, the resultant laser light linewidth can only be a maximum of approximately 100 μm wide using an appropriate line projection lens.
Dyoptyka’s SpeckleFree modules’ primary use is in dimensional metrology systems where linear fringes and other spatial patterns are projected onto the objects to be measured using digital projectors. Indeed, at the VISION 2009 show in Stuttgart, Dyoptyka showed how output from its SpeckleFree area illumination module could be used with a digital light projector (DLP) from Texas Instruments (Dallas, TX, USA; www.ti.com) to create a number of user-programmable patterns.
“By using DLPs with video output from a PC, the user can program the system to display a variety of speckle-free patterns onto an object,” says Shevlin. The advantages of using lasers vs. LEDs for this application include greatly increased intensity and availability of illumination at different wavelengths.

